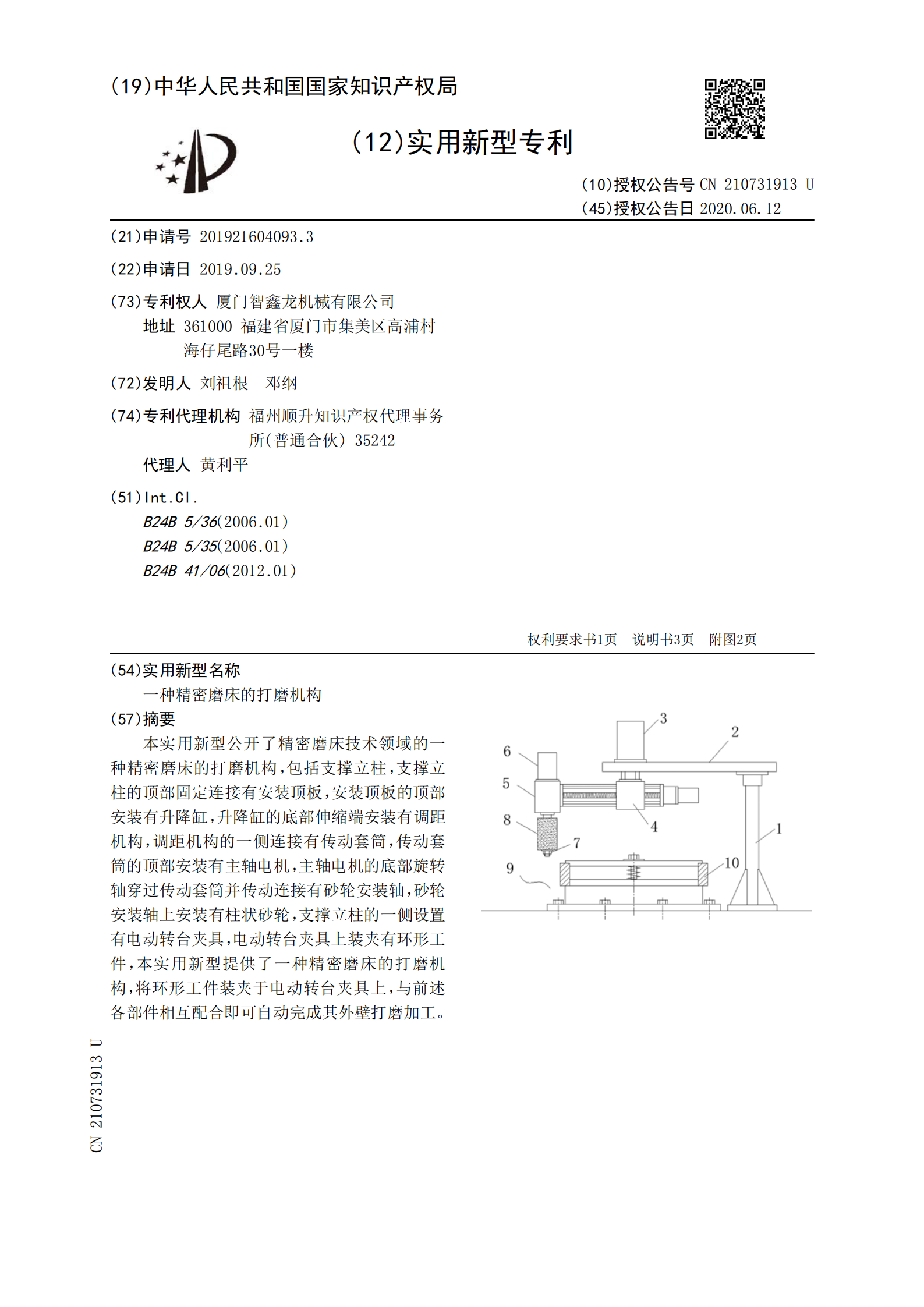
OUR PROCESSING CAPABILITY
It enables high-precision forming and machining of complex optical components, balancing the efficiency of mass production with the precision of custom single-piece manufacturing.
CNC milling is a subtractive manufacturing process that utilizes 3-axis milling and 5-axis indexing milling techniques to cut solid plastic and metal blocks into final parts.
View detailsCNC turning with powered tools combines the functions of a lathe and a milling machine, enabling the machining of parts with cylindrical features from metal bars.
View detailsVarious surface treatments are applied to the parts, including anodizing, sandblasting, powder coating, electroplating, etc
View detailsUtilize a three-coordinate measuring machine to inspect and measure the form and position tolerances of the workpiece, and determine whether the error of the workpiece falls within the tolerance range.
View detailsTECHNOLOGY & INNOVATION
The synergy of the three core technologies not only enhances the processing quality and efficiency of optical components, but also demonstrates the enterprise's technical strength in precision manufacturing and sustainable development.
High-Efficiency Chip Removal and Cleaning
Precise chip removal & cleaning to prevent scratches and ensure machining fluency and workpiece cleanliness
Intelligent Temperature Control and Precision Assurance
Dynamic temperature control & compensation to strictly control dimensional tolerance and maintain high-precision output
Environmentally Friendly Oil Mist Treatment
Oil mist purification & recycling to achieve green production and protect workshop environment and personnel health
ABOUT US
Xiamen Zhixinlong Machinery Co., Ltd
Zhixinlong is an enterprise specializing in the development and manufacturing of fixtures and jigs for the new energy and electronics industries, as well as providing customized services for non-standard equipment mechanical components. As an important supplier in the power electronics industry, we are committed to innovative research and mass production of welding electrode products. At present, the company has a modern production base covering an area of 1400 square meters, equipped with advanced...
...equipment such as CNC machining centers and precision measuring instruments, and has established a professional technical team of more than 50 people. Through continuous technological innovation and strict ISO quality management system, it has developed into a comprehensive manufacturing enterprise integrating research and development, production, and sales, and has established a good market reputation in fields such as new energy equipment and electronic manufacturing.
QUALIFICATION CERTIFICATE
BLOG
CONTACT US
Want To Talk To Us?
Or inauiries about our products, please email to us and we will be in touch within 24 hours
Monday to Friday 08:00-18:00